English
Español
Português
русский
Français
日本語
Deutsch
tiếng Việt
Italiano
Nederlands
ภาษาไทย
Polski
한국어
Svenska
magyar
Malay
বাংলা ভাষার
Dansk
Suomi
हिन्दी
Pilipino
Türkçe
Gaeilge
العربية
Indonesia
Norsk
تمل
český
ελληνικά
український
Javanese
فارسی
தமிழ்
తెలుగు
नेपाली
Burmese
български
ລາວ
Latine
Қазақша
Euskal
Azərbaycan
Slovenský jazyk
Македонски
Lietuvos
Eesti Keel
Română
Slovenski
मराठी
Srpski језик
उत्पादन वैशिष्ट्यes
1, डीसी जनरेशन आणि डीसी स्टोरेज, अधिक कार्यक्षमता आणि कमी नुकसान, जे पीव्हीसाठी योग्य आहे आणि स्टोरेज पॉवर जास्त आहे
लोड पॉवर ऑफ-ग्रिड परिस्थितींपेक्षा;
2, IP65 संरक्षण, बाह्य वापर पूर्ण करणे. जवळील MPPT अभिसरण आउटपुट वाढवते, जे वायरिंगला प्रतिबंध करण्यास मदत करते
एकापेक्षा जास्त फोटोव्होल्टेइक (पीव्ही) केबल्स लांब अंतरावर ऑल-इन-वन सिस्टममध्ये प्रसारित केल्यामुळे होणारा गोंधळ.
3, 200-900V फोटोव्होल्टेइक इनपुटची विस्तृत व्होल्टेज श्रेणी, उद्योगाच्या उच्च-वर्तमान फोटोव्होल्टेइक मॉड्यूल प्रवेशास समर्थन देते.
4、मल्टी-चॅनल MPPT, PV पॅनल मल्टी-एंगलला भेटते
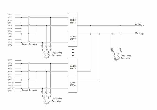
वायरिंग आकृती

तपशील
| मॉडेल्स | MPPT-8 | MPPT-6 | MPPT-12 | |
| पीव्ही-साइड इंटरफेस पॅरामीटर्स |
कमाल पीव्ही ॲरे व्होल्टेज | 900V | ||
| MPPT व्होल्टेज श्रेणी | 200V-900V | |||
| रेटेड MPPT व्होल्टेज श्रेणी | 560V-900V | |||
| जास्तीत जास्त शाखा प्रवाह | 24A | 20A | ||
| PV इनपुट स्ट्रिंग नंबर | 8 | 6 | 12 | |
| MPPT ची संख्या | 8 | 2 | 4 | |
| MPPT प्रति वर्तमान | 20A | 55A | ||
| आउटपुट पॅरामीटर्स | व्होल्टेज श्रेणी | 600-950V | ||
| रेट केलेले व्होल्टेज | डीफॉल्ट 716.8V, समायोज्य | |||
| रेटेड आउटपुट वर्तमान | 118A | 84A | 168A | |
| रेटेड आउटपुट पॉवर | 84kW | 60kW | 120kW | |
| कमाल आउटपुट वर्तमान | 192A | 120A | 240A | |
| सिस्टम पॅरामीटर्स | EUe cency | 99.4% | ||
| iP ग्रेड | IP65 | |||
| कूलिंग संकल्पना | नैसर्गिक संवहन | जबरदस्तीने हवा थंड करणे | ||
| परिमाण(W*D*H) | 550x530x280 मिमी | 630×460×260mm | 630×460×260mm | |
| वजन | 42 किलो | 25 किलो | 30 किलो | |
| ऑपरेटिंग तापमान | -30~55℃ | |||
| वीज पुरवठा मोड | स्वयं चालित (रात्री वीज वापर न करता) | |||
| संप्रेषण इंटरफेस | RS485 | |||
