English
Español
Português
русский
Français
日本語
Deutsch
tiếng Việt
Italiano
Nederlands
ภาษาไทย
Polski
한국어
Svenska
magyar
Malay
বাংলা ভাষার
Dansk
Suomi
हिन्दी
Pilipino
Türkçe
Gaeilge
العربية
Indonesia
Norsk
تمل
český
ελληνικά
український
Javanese
فارسی
தமிழ்
తెలుగు
नेपाली
Burmese
български
ລາວ
Latine
Қазақша
Euskal
Azərbaycan
Slovenský jazyk
Македонски
Lietuvos
Eesti Keel
Română
Slovenski
मराठी
Srpski језик
उत्पादन वैशिष्ट्ये
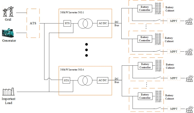
1.500 kW पेक्षा जास्त भार, मोठ्या क्षमतेचे 500 kW सिंगल-युनिट एनर्जी स्टोरेज इन्व्हर्टर वापरण्याची शिफारस केली जाते, जे समांतर कनेक्शनच्या चार संचांना समर्थन देण्यास सक्षम आहे, एकूण 2 MW चे एकूण उर्जा उत्पादन प्राप्त करू शकते;
2.एकापेक्षा जास्त 500 kW प्रणाली समांतर चालवताना आणि STSacross विविध 500 kW इनव्हर्टरचे वितरण करताना, ग्रिड टाय-पॉइंटपासून लोड टाय-पॉइंटपर्यंत केबललांबी सुसंगत असल्याची खात्री करणे महत्त्वाचे आहे;
3. हायब्रीड ESS DC-कपल्ड फोटोव्होल्टेइक इंटिग्रेशनचा वापर करते, उच्च ऊर्जा रूपांतरण कार्यक्षमता प्राप्त करते आणि PV निर्मिती क्षमता लोड मागणीपेक्षा जास्त असलेल्या ऑफ-ग्रीड परिस्थितीसाठी अनुकूल करते; आउटडोअर-रेट MPPT
कंट्रोलर्स कॉम्बिनर आणि MPPT कार्यशीलता एकाच कडक बंदोबस्तात समाकलित करतात. संपूर्ण प्रणालीमध्ये डिझेल जनरेटर ATS पर्याय, 300kW हायब्रीड इन्व्हर्टर, PV MPPT कंट्रोलर आणि बॅटरी समाविष्ट आहे.
ऊर्जा साठवण प्रणाली.


तपशील
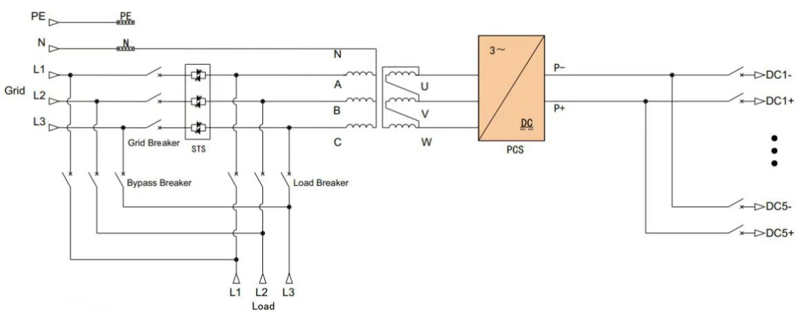
| मॉडेल्स | P500TS-400-A | |
|
डीसी-साइड पॅरामीटर्स |
व्होल्टेज श्रेणी | 500-950V |
| कमाल वर्तमान | 1128A | |
| रेटेड आउटपुट पॉवर | 500kW | |
|
एसी-साइड पॅरामीटर्स (ग्रिड-कनेक्ट केलेले) |
जास्तीत जास्त आउटपुट पॉवर | 550kW |
| रेटेड आउटपुट वर्तमान | 722A | |
| THDi | <3% | |
| ग्रिड प्रकार | 3W+N+PE | |
| व्होल्टेज श्रेणी | 360VAC~440VAC | |
| वारंवारता श्रेणी | 45~55Hz/55~65Hz | |
| पॉवर फॅक्टर | -1~1 | |
| रेटेड आउटपुट पॉवर | 500kW | |
|
एसी साइड पॅरामीटर्स (ऑफ-ग्रिड) |
रेट केलेले आउटपुट व्होल्टेज | 400V |
| रेटेड आउटपुट वारंवारता | 50/60Hz | |
| THDu | <1% रेखीय भार, <5% नॉन-लिनियर लोड | |
| ओव्हरलोड क्षमता | 110%10 मिनिटे | |
| देखभाल बायपास स्विच | 1250A | |
|
ऑफ-ग्रिड स्विच आणि स्विच कॉन्फिगरेशन |
डीसी स्विच | 1250A |
| लोड स्विच | 1250A | |
| ग्रिड स्विच | 1250A | |
| एसटीएस युनिट | 1155A/800kW | |
| स्विचिंग वेळ | <20मिसे | |
|
सिस्टम पॅरामीटर्स |
शिखर कार्यक्षमता | 97.5% |
| ऑपरेटिंग तापमान | -30~55℃(40℃ पेक्षा जास्त) | |
| सापेक्ष आर्द्रता | 0 ते 95% RH, नॉन-कंडेन्सिंग | |
| परिमाण(L*D*H) | 1600×1050×2050mm | |
| वजन | 2700 किलो | |
| आयपीग्रेड | IP21 IP21 (पूर्ण मशीन) | |
| गोंगाट | <70dB | |
| डिस्प्ले स्क्रीन | एलसीडी | |
| बीएमएस संप्रेषण | कॅन | |
| ईएमएस संप्रेषण | TCP/IP | |