English
Español
Português
русский
Français
日本語
Deutsch
tiếng Việt
Italiano
Nederlands
ภาษาไทย
Polski
한국어
Svenska
magyar
Malay
বাংলা ভাষার
Dansk
Suomi
हिन्दी
Pilipino
Türkçe
Gaeilge
العربية
Indonesia
Norsk
تمل
český
ελληνικά
український
Javanese
فارسی
தமிழ்
తెలుగు
नेपाली
Burmese
български
ລາວ
Latine
Қазақша
Euskal
Azərbaycan
Slovenský jazyk
Македонски
Lietuvos
Eesti Keel
Română
Slovenski
मराठी
Srpski језик |
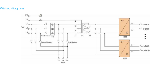
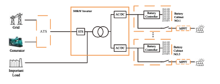
वैशिष्ट्य प्रणाली समांतर कॉन्फिगरेशनमध्ये मॉड्यूलर इन्व्हर्टर युनिट्सचा वापर करते, जेथे प्रत्येक इन्व्हर्टर मॉड्यूलचे DC इनपुट एका समर्पित बॅटरी कॅबिनेटशी संबंधित आहे, दरम्यान परिसंचारी प्रवाह दूर करण्यासाठी प्रति-क्लस्टर व्यवस्थापन सक्षम करणे बॅटरी तार. AC/DC पॉवर मॉड्युल्स दोन्ही प्रमाणात आणि लवचिक तैनातीला समर्थन देतात पॉवर रेटिंग, 5-युनिट समांतर मध्ये 60kW मॉड्यूल्सच्या कमाल क्षमतेसह कॉन्फिगरेशन पॉवर मॉड्यूल्समधून एसी आउटपुट ट्रान्सफॉर्मरद्वारे वितरित केले जाते पृथक् आउटपुट स्टेज, मजबूत प्रतिकार सह लोड करण्यासाठी वीज पुरवठा वर्तमान धक्का. हायब्रीड ईएसएस DC-कपल्ड फोटोव्होल्टेइक एकत्रीकरण वापरते, उच्च साध्य करते ऊर्जा रूपांतरण कार्यक्षमता आणि PV सह ऑफ-ग्रिड परिस्थितींसाठी अनुकूल उत्पादन क्षमता लोड मागणीपेक्षा जास्त; आउटडोअर-रेट MPPT नियंत्रक कंबाईनर आणि एमपीपीटी कार्यशीलता एकाच कठोर बंदिस्तात समाकलित करा. संपूर्ण प्रणालीमध्ये डिझेल जनरेटर ATS पर्याय, 300kW संकरित समाविष्ट आहे इन्व्हर्टर, पीव्ही एमपीपीटी कंट्रोलर आणि बॅटरी एनर्जी स्टोरेज सिस्टम.
वैशिष्ट्य प्रणाली समांतर कॉन्फिगरेशनमध्ये मॉड्यूलर इन्व्हर्टर युनिट्सचा वापर करते, जेथे प्रत्येक इन्व्हर्टर मॉड्यूलचे DC इनपुट एका समर्पित बॅटरी कॅबिनेटशी संबंधित आहे, दरम्यान परिसंचारी प्रवाह दूर करण्यासाठी प्रति-क्लस्टर व्यवस्थापन सक्षम करणे बॅटरी तार. AC/DC पॉवर मॉड्युल्स दोन्ही प्रमाणात आणि लवचिक तैनातीला समर्थन देतात पॉवर रेटिंग, 5-युनिट समांतर मध्ये 60kW मॉड्यूल्सच्या कमाल क्षमतेसह कॉन्फिगरेशन पॉवर मॉड्यूल्समधून एसी आउटपुट ट्रान्सफॉर्मरद्वारे वितरित केले जाते पृथक् आउटपुट स्टेज, मजबूत प्रतिकार सह लोड करण्यासाठी वीज पुरवठा वर्तमान धक्का. हायब्रीड ईएसएस DC-कपल्ड फोटोव्होल्टेइक एकत्रीकरण वापरते, उच्च साध्य करते ऊर्जा रूपांतरण कार्यक्षमता आणि PV सह ऑफ-ग्रिड परिस्थितींसाठी अनुकूल उत्पादन क्षमता लोड मागणीपेक्षा जास्त; आउटडोअर-रेट MPPT नियंत्रक कंबाईनर आणि एमपीपीटी कार्यशीलता एकाच कठोर बंदिस्तात समाकलित करा. संपूर्ण प्रणालीमध्ये डिझेल जनरेटर ATS पर्याय, 300kW संकरित समाविष्ट आहे इन्व्हर्टर, पीव्ही एमपीपीटी कंट्रोलर आणि बॅटरी एनर्जी स्टोरेज सिस्टम.
तपशील |
|||||
| मॉडेल्स | P200TS-400-A | P250TS-400-A | P300TS-400-A | ||
|
डीसी-साइड पॅरामीटर्स |
व्होल्टेज श्रेणी | 650-950Vdc | |||
| प्रति-मॉड्यूल इनपुट स्विच | 250A | ||||
| DC चॅनेलची संख्या | 3 मार्ग | 4 मार्ग | 5 मार्ग | ||
|
एसी-साइड पॅरामीटर्स (ग्रिड-कनेक्ट केलेले) |
रेटेड आउटपुट पॉवर | 200kW | 250kW | 300kW | |
| जास्तीत जास्त आउटपुट पॉवर | 220kW | 275kW | 330kW | ||
| रेटेड आउटपुट वर्तमान | 289A | 361A | 433A | ||
| THDi | <3% | ||||
| ग्रिड प्रकार | 3W+N+PE | ||||
| व्होल्टेज श्रेणी | 360Vac~440Vac | ||||
| वारंवारता श्रेणी | 45~55Hz/55~65Hz | ||||
| पॉवर फॅक्टर | -1~1 | ||||
|
द्वीपसमूह एसी-साइड पॅरामीटर्स |
रेटेड आउटपुट पॉवर | 200kW | 250kW 300kW | ||
| रेट केलेले आउटपुट व्होल्टेज | 400Vac | ||||
| रेटेड आउटपुट वारंवारता | 50/60Hz | ||||
| THDu | <1% रेखीय, <5% नॉनलाइनर<1% रेखीय, <5% नॉनलाइनर | ||||
| ओव्हरलोड क्षमता | 10 मिनिटांसाठी 110% ओव्हरलोड 10 मिनिटांसाठी 110% | ||||
|
ग्रिड-आयलँडिंग हस्तांतरण आणि स्विचगियर |
देखभाल बायपास स्विच | 400A | 630A | ||
| ग्रिड स्विचेस | 630A | 800A | |||
| लोड स्विच | 400A | 630A | |||
| एसटीएस युनिट | 577A/400kW | 722A/500kW | |||
| स्विचिंग वेळ | <20मिसे | ||||
|
सिस्टम पॅरामीटर्स |
पीक कार्यक्षमता | 97.5% | |||
| ऑपरेटिंग तापमान | -30~55℃-30~55℃(40℃ पेक्षा जास्त) | ||||
| सापेक्ष आर्द्रता | 0~95%RH,0~95%RH,नॉन-कंडेन्सिंग | ||||
| परिमाण(L*D*H) | 1300×1050×2050mm | ||||
| वजन | 1400 किलो | 1700kg 1800kg | |||
| आयपीग्रेड | IP21 IP21 (पूर्ण सेट) | ||||
| गोंगाट | <70dB | ||||
| डिस्प्ले स्क्रीन | एलसीडी टच स्क्रीन | ||||
| बीएमएस संप्रेषण | कॅन | ||||
| ईएमएस संप्रेषण | TCP/IP | ||||